沈湄 老師
2015/12 珠寶商情 No.60 - CVD法合成鑽的特徵及鑑別 - TGI台灣寶石學院暨鑑定所 沈湄、 苑執中
2015/9 亞洲寶石學院國際寶石學議題研討會報導 - TGI台灣寶石學院暨鑑定所 沈湄
苑執中 博士
2015/12 珠寶商情 No.60 - CVD法合成鑽的特徵及鑑別 - TGI台灣寶石學院暨鑑定所 沈湄、 苑執中
吳崇剛 老師
Gem-A 雜誌
題目 : 焰熔法合成宝石技术(一)
作者 : 沈才卿1,陆太进2,沈湄3,刘结文4
沈才卿老師帶領二安三地寶石學家-余曉艷、沈湄等人工寶石製作參訪


因原文較長,有需要可和我們中心聯繫
------------------------------------------------------------------------------------
題目 : 冷坩埚熔壳法合成宝石技术(一)、冷坩埚熔壳法合成宝石技术(二)、冷坩埚熔壳法合成宝石技术(三)
作者 : 沈才卿/ 核工业北京地质研究院
陆太进/ 中宝协珠宝研究所
刘结文/ 原中恒誉资产评估公司
沈 湄/ 台湾宝石学协会理事长
沈才卿老師帶領二安三地寶石學家-余曉艷、沈湄等人工寶石製作參訪


因原文較長,有需要可和我們中心聯繫
Gem-A 雜誌 Gems & Jewellery JAN/FEB 2016
寶石資訊
寶石學雜誌入駐英國路透社資料庫
Gem-A的旗艦刊物《寶石學雜誌》已獲Thomson Reuters新ESCI(Emerging Sources Citation Index)的索引入駐認可,且ESCI是久負盛名的Web of ScienceTM搜索平臺的一部分。

這一發展將使得寶石學雜誌可完全供科學各領域的專業學者、創作者以及研究者搜索引用。寶石學雜誌的入圍也證實了Gem-A要為寶石首飾界提供最中肯最具影響力的寶石學學術知識的決心。ESCI的眾雜誌都需要接受一項初始編輯評估,並通過進一步考量決定能否入駐Thomson Reuters的其他作品,如享有盛譽的SCIE(Science Citation Index Expanded)資料庫。
《寶石學雜誌》的主編Brendan Laurs FGA對這一發展極為興奮,說道:“《寶石學雜誌》入駐Web of ScienceTM對我們的作者,讀者,以及整個寶石學都大有好處。如今,寶石學雜誌正處於一個更有利的地位,能夠吸引來自各頂尖高校的研究者投稿,因為他們需要在Web of ScienceTM的眾雜誌上發表文章,而我們的讀者也將從這項尖端研究中受益。Web of ScienceTM對寶石學雜誌的報導毫無疑問將有助於提升全球科學界對寶石學的認知。”
寶石學雜誌也獲准入駐另外幾家國際文摘和索引服務機構---預知所有清單請訪問Gem-A網站出版區。寶石學雜誌跟瑞士寶石學機構SSEF的合作出版,並受美國寶石學實驗室的支持,因此正努力爭取在第三年摘取Web of ScienceTM的桂冠。
IDE的藍月亮售價至US$4850萬

18個月前,在以色列鑽石原石周期間,以色列鑽石交易所(IDE)的貿易廳內展出一顆29.6克拉的藍色鑽石原石。上個月,該顆石頭被切磨成12.03克拉,取名藍月亮,在日內瓦拍賣會上賣價超過US$4850萬。
該鑽石原石先前是由Ehud Laniado以其公司Core International的名義花費約US$2600萬從鑽石礦主Petra Diamonds處購得,石頭有著極其稀有的豔藍色。憶及這顆原石時,IDE的總裁Shmuel Schnitzer 是這樣形容的:“藍色極為豔麗,飽和度、色彩和淨度十分卓越。”因此該原石是2014年以色列首次鑽石原石周上的重頭戲。
Rio Tinto揭開加拿大最大鑽石的神秘面紗
加拿大西北部Rio Tinto的 Diavik鑽石礦發現了一顆重187.7克拉的原石,這是迄今在加拿大發現的最大鑽石之一,上個月在倫敦肯辛頓宮首次公開露面。這顆有著20億年歷史的古老石頭,在洗禮時被取名 ‘Diavik Foxfire’,同時也有一個土著名字‘Noi?eh Kwe’。Diavik Foxfire將前往安特衛普接受評估,預計能產出一顆非常大的成品裸石,終將成為“首飾界獨一無二的傳家寶”,Rio Tinto鑽石部的總經理Jean-Marc Lieberherr如是說。
斯里蘭卡發現了世界上最大的藍色星光藍寶石

斯里蘭卡的寶石學家聲稱在斯里蘭卡發現了世界上最大的藍色星光藍寶石。位於首都可倫坡的寶石學機構已證實了該星光藍寶石重達1404.49克拉,沒有比它更大的了。
該寶石至少估價US$10000萬,其現在的主人估計拍賣時能賣到US$17500萬,已將其視為一件展覽品而不再是一顆寶石了,並命名為“亞當之星”,意為亞當被逐出伊甸園後來到了斯里蘭卡。
“我一看到它,就決定要買”,亞當之星現在的主人對BBC講到,他還不願公開自己的姓名,且堅持認為購買價格一定要絕對機密。而之前星光寶石的最高紀錄是1395克拉。
SSEF發佈已升級天然鑽石檢測設備
瑞士寶石學機構(SSEF)已正式宣佈要國際出口其已升級的自動光譜鑽石檢測設備(ASDI) 。設計該系統主要是應對無色天然小鑽石中混入合成鑽石對鑽石行業構成的威脅。
ASDI能夠通過篩分出可能混入天然鑽石中的HPHT和CVD 無色合成鑽石,及其他經高溫高壓處理的無色鑽石以達到鑒別的目的。這是唯一一台高效率低成本,且能大量檢測直徑1毫米或0.4分的無色小鑽的自動檢測設備。
由SSEF于2014年建立的SATT Gems SA負責ASDI設備在全球市場的開拓及分送,而SSEF是全世界珠寶檢測方面的權威。目前,有五台ASDI設備做日常基本用途:兩台供瑞士鑽石貿易公司使用,兩台供瑞士頂尖手錶製造團隊使用,一台供鑽石分級實驗室使用。
Gem-A 雜誌 Gems & Jewellery JAN/FEB 2016
彩虹黑曜岩
Tom Dodge Tom Dodge 帶您來一睹這迷人卻又鮮為知的礦石。

Fire obsidian (火黑曜石 ),是發現於美國西北部的彩虹黑曜石中一 個特別的品種,能展示出多種閃耀的顏色和樣式。筆者認為,當寶石工匠精心雕琢時,這種石頭在顏色,光彩,獨特性以及本身之美方面足以媲美其他有著彩虹光的寶石 。這也是迄今唯一發現火黑曜的地方。
縱觀歷史,彩虹寶石和礦物一直對人類有著特別的吸引力。早期人們曾做過各種嘗試想要解開黑曜石彩虹閃光和超自然特徵之謎。在古代,珍貴的歐珀opal一度被認為對人的眼睛大有益處,因此被磨琢用以治療眼部疾病(Braid, 2015)。在古代印度,波斯,中美和北美地區,Fire opal火歐珀被信奉為熾熱愛情的象徵。人們認為像火歐珀這樣的寶石由氣泡狀球體造成色彩活潑到如此程度恐怕也只有天堂的水域才能孕育的出來吧(International Coloured Gemstone Association, 2015).瑪雅人和阿茲特克人尤其鍾愛這種寶石,常作為慣例用在馬賽克設計風格的建築中。如今一些人認為彩虹黑曜石在冥想時對於消除震驚,恐懼和隔閡等方面有著特別的力量。

光學現象是由寶石的光依賴性特徵引起的。不是因為寶石的基本化學和晶體結構,而是光與寶石內部的內含物或結構特性相互作用引起的。彩虹閃光現象被視為由折射引起的多種顏色的表面效應,當白光通過很小的氣孔或縫隙時發生衍射,用一個三棱鏡就可使其分離成光譜色。這種衍射正解釋了縫隙的彩紅分佈,閃光拉長石的顏色,以及珍貴歐珀的顏色分佈。彩虹閃光是最普遍的光學現象,該現象在珍珠,火瑪瑙,彩虹方解石,一些黑曜石和彩虹瑪瑙中均能觀察到。而當彩虹閃光跟干涉相結合時,就出現了薄膜干涉(The Physics Classroom, 2015)。當色波通過有不同折射率的礦石薄層時一些顏色會削弱,而其他的會增強,這就致使色塊增加,色塊會隨著觀察角度的變化而改變。
近期的實驗分析表明,火黑曜石中的”Fire”火是由薄膜干涉引起的。這種干涉形式的例子很多,如晴空下的肥皂泡的光彩,新擦洗的擋風玻璃的顏色條紋,雨潭上的一層彩色油膜等,這些都是光的干涉作用的結果,一種礦物質的極薄層膜通過另一種礦物質表面時形成的。搜集到的火黑曜石是通過場發射電子掃描顯微鏡,X射線能量色散光譜,電子反散射衍射和光譜法進行觀測的(Ma et al., 2007)。該研究揭示了黑曜石內部的薄層(或流動狀波帶)厚度達300-700nm,有豐富的磁鐵礦納米級晶體。其顏色也是由薄膜光學幹射造成的,在此光學幹射中薄薄的含鐵層的折射率(1.496 < n < 1.519)要高於普通玻璃的折射率(n = 1.481)。

黑曜石是一種火成岩,即形成於熔融的礦石料在迅速冷卻時原子無法自行排布成晶體結構,其結果便是有著光滑一致紋理且帶貝殼狀裂隙的火山玻璃。是一種類礦物的非晶形材料。純黑曜石通常看起來顏色很深,儘管其顏色變化取決於所呈現的雜質。雜質鐵和鎂使黑曜石呈典型的深綠至棕色甚至是黑色。只有極少的樣品是近無色。然而,形同衍射格子的磁鐵礦凝滯的內含物由於密度和相對同類的濃縮物,使一些特定種類的黑曜石呈現彩虹閃光的樣式。描述性的商業名稱如天鵝絨或彩虹黑曜石等是市場上常見的種類。
俄勒岡州東南的火山高地集聚火黑曜石,是一種絕種的流紋岩圓屋頂群,環繞了方圓近90 平方公里,高度能達到1400-1950米。包括黑曜石,流紋岩流,水堤和珍珠岩等在內的多種火山沉積岩在鉀氬年代計時的基礎上可以追溯到4-5百萬年前(Walker et al., 1974). 後火山噴發的風化和腐蝕作用已經消除了大部分最年輕的火山沉積岩,因而暴露了當地流紋岩圓屋頂更為古老的部分。

儘管該地區廣泛沉積有多種黑曜石,而火黑曜石只在小區域的流紋岩堤附近有發現。內含由弱及強流動帶的黑色或棕色黑曜石也有著明亮顏色帶,它們小而孤立且有不連續的豆莢。這些流動帶通常跟黑曜石堤的走向並行排布(Miller, 2006). 開鑿斷裂又結合緊密的岩體材料需要大量的工作。這些開採量中將近10-20%可能會含有火彩層,但只有5%含火彩。新開採出來的黑曜石,形狀和大小都不規則,又髒又暗。可以小心取下一些測試碎片觀測它微弱又薄的流動帶,進一步探索可能就會觀測到其流動帶所反射的明亮火彩。那麼真正的工作就開始了。

火黑曜石極其適合依其天然形狀切磨成獨特又壯觀的凸圓旦面。首先,石頭必須要清洗乾淨,然後詳細解讀石頭(即確定石頭的精確出處和火層走向)。這一步其實非常有挑戰性,因為每片石頭都是獨特的。一些火彩層會反射流動帶和樣式上的多種顏色,顏色之間又有分明的界限,而另一些石頭上的顏色會相互交疊。顏色也可能僅出現在火彩層的一小部分區域,而剩餘區域則是混沌的灰色。
即使是同一火彩層的彩虹閃光的顏色和強度也總是變化無窮。一些火彩層兩面都會反射顏色,而其他火彩層只一面反射。顏色可出現在石頭的單孤立火層上或多個色層上,且一層緊密的堆疊在另一層上方。反射層很少是平坦的,他們通常小幅度地呈波浪狀變換走向,但也會很突然,很猛烈,有些甚至會折成兩半。單火彩層反射的顏色可跨度整個光譜,而其他火彩層只能顯示單色。此外,反射所形成的樣式(呈條紋狀,斑點,絲線,褶皺,吸管狀,條棒狀等等)也是變化無窮。這些樣式的成因無從知曉,但很可能是磁鐵礦隨著流動帶在小範圍內的富集的厚度差異或走向差異而致。
對寶石工匠而言,能成功地切磨火黑曜石是件極具挑戰的事。鑽石拋磨設備是加工這種材料的理想用具。在黑玻璃內部嵌入並分離出納米量級的層次需要技能,勤勉,和驚人的耐心。切磨一個高水種的黑玻璃是相當困難且耗費時間的。借助達到光學級別的氧化鈰這樣昂貴的拋光粉才可能得到理想的切磨效果。設備污染也是個至關重要的問題,在整個切磨,砂光,拋光的過程中必須避免設備污染。

相對而言,火黑曜石是寶石界的新物,且只知道全世界唯有一個地方能出產。搜集火黑曜石是項高強度的勞動,並且寶石工匠能成功地加工也是很有挑戰,昂貴,耗時,枯燥。寶石工匠很少用原石材料,而是使用小厚片或未拋光且有孔的石頭。

關於作者:
William Thomas (Tom) Dodge 是一位居住在美國亞利桑那州的退休地質學者。Tom狂熱地收集岩石已有57年,成為在冊專職地質學探索顧問35年,嫺熟的燧石敲擊者16年,致力於寶石工匠才兩年。收集並加工火黑曜石已燃起了他全部的熱情,他歸恩於Emory Coons,這壯觀石材的主人,也是一位慷慨的導師。Tom深情地將火黑曜石喻為“地球之露”。
鑽石顏色的成因
如圖均為天然彩色鑽石,摘錄自Gem-A DGA課本。
一,雜質元素:鑽石在生成過程中,有其他元素進入,而造成點雜質。
1, 氮:氮是鑽石中最常見的雜質,取代碳原子,進入晶格。吸收了紫、藍光區,放出黃光,以其存在的狀態分其型別為Ib - 單氮,IaA - 雙氮,IaB - 三氮、四氮、片氮,顯示出不同的黃色,不含氮的為無色 型別為IIa。
2, 硼:硼取代碳原子,進入晶格。吸收了黃光區,放出藍光,型別為IIb。
3, 氫:氫原子體積極小,可以進入鑽石內的間隙,呈現出灰色調。
二, 塑性變形:鑽石在生成以後,受到超高壓的作用,產生線、面、体的晶格位錯或稱塑性變形。最常見的顏色有:褐色、粉紅色、紅色等。塑性變形的褐色鑽石,可用高溫高壓改成無色或淺黃綠色。
三, 點缺陷:鑽石受到放射性物質的輻照,使碳原子核內的中子、質子或其外圈的電子產生空穴、位移,常見的顏色有綠、藍、黑色,再經過高溫高壓或高溫的作用,會產生黃、粉紅色、紅色等。
如果大家對鑽石還有問題的話,我在3月21日至4月1日在臺灣寶石研究院TGI有英國Gem-A的DGA課,另外3月17-18日白天及3月下旬晚上及4月2日晚上有合成鑽石的鑒別課程。
2015/12 珠寶商情 No.60 CVD法合成鑽的特徵及鑑別 TGI台灣寶石學院暨鑑定所 沈湄 苑執中
鑽石具有耀眼的光彩和自然界中最大的硬度,是世界上公認最珍貴的寶石,深受人們喜愛。 由於天然鑽石儲量少,開採困難,不能滿足工業領域甚至首飾消費領域的需要,從而使得合成鑽石的研究一直方興未艾。 化學氣相沉積法(Chemical Vapor Deposition,簡稱CVD)合成鑽石,是在相對較低的溫度(800~1000℃)、壓力(大約1Torr)條件下,採用一定方法啟動碳源氣體(如甲烷和氫氣),使其中的碳原子在基底(種晶)上過飽和沉積,生成鑽石。 形成環境與生長機制的差別,導致HPHT合成鑽石和CVD化學氣相沉積法不同的晶體型態。 CVD法合成鑽石應用前景和潛在市場極為廣闊,被認為是未來最具發展前景、能夠實現鑽石全方位功能的新型鑽石。 據推斷,大量的CVD法合成鑽石已進入珠寶市場,但只有其中一小部分被珠寶實驗室檢測出來,這給珠寶首飾行業特別是鑽石市場帶來嚴峻的挑戰。 因此掌握CVD法合成鑽石的特徵,進而對其進行有效鑒別,已成為珠寶首飾鑒定工作者的當務之急和艱巨任務。
1 CVD法簡介
上世紀80年代,CVD法生長多晶金剛石膜問世;90年代,CVD法單晶金剛石進入研發階段;2000年左右,元素六、卡耐基、阿波羅等公司採用CVD法合成單晶金剛石成功,但未能形成市場銷售;2012年,新加坡的IIa公司,將採用CVD法生產出的無色高品質金剛石實現首飾鑽石商品化,雖然其銷售價格僅為同級天然鑽石的1/2~2/3, 但引起了天然鑽石市場的較大震動。 目前,主要進行商業化生產的寶石級CVD合成鑽石單晶生產公司主要有 Apollo(阿波羅)和 Gemesis(蓋邁希)兩家公司。 這兩家公司都在網上公開銷售其生產的寶石級CVD 合成鑽石單晶,其中Gemesis公司(HTTP://gemesis.com/)是近一兩年比較活躍的、影響較大的 CVD 合成廠家,已經在鑽石首飾領域生產和銷售了一定規模的 CVD 合成鑽石。
2 CVD法合成鑽石工作原理
碳氫化合物(常為甲烷)在氣態條件下,受等離子體的高能解離,生成原子層級的碳原子沉積在加熱的固態基體表面(溫度在800~1000℃),進而制得多晶或單晶鑽石。 該種方法合成的鑽石,其生長效率在1~50微米/小時左右,其合成步驟大致如下(見圖1):首先,在基座上放置鑽石基底(種晶),並使反應倉內的壓力降到 0.1 個大氣壓;其次,將甲烷氣體和氫氣注入反應倉內,並用微波束加熱使之形成等離子體;第三,碳原子在鑽石基底上進行沉積,鑽石開始生長;第四,打開反應倉,取出片狀鑽石晶體,切割拋光成寶石級鑽石。

圖1 CVD法鑽石發育簡圖
3 CVD法合成鑽石的特徵
CVD法合成鑽石的物理性質與天然鑽石的範圍較一致。因此,CVD合成鑽石與天然鑽石在硬度和耐久性方面相同,並于切割成寶石後閃耀著同樣的火彩。顏色特性可以引入雜質產生變化。後點查詢即可,在生長室通過控制氣體中殘餘氮晶體可以呈無色至近無色。而藍鑽可以通過在氣體中添加硼; 粉紅色,黃色,或其他種類可以通過使用混合氣體,包括高濃度氮。市場上大量的紫外線檢測儀器可以提供可能為CVD合成鑽石的第一個象。側重點這需要額外的測試來確認樣品是否CVD合成或天然。如果鑽石不是IIa型的它有可能是天然的。對於非IIa型合成鑽石和藍鑽、粉鑽、黃鑽等其他彩色鑽石的特徵在以後的文章中將會有另外的討論。通過CVD法合成的鑽石經過後期的高溫高壓及輻照處理可以有各種顏色。該種方法合成的鑽石一般有下列特徵: (1) 同一批生長的鑽石、 由於成長環境相同、 因而具有相同的顏色、淨度。(2) 無色和近無色的合成鑽石通常是IIa型 (而天然鑽石僅有2%為IIa型)、 並且該部分鑽石在紫外和紅外光譜特定部分為高淨度 (低氮) 和高透明度。(3) 合成鑽石內部有矽和/或殘留氮的存在。(4) 合成鑽石在低壓、高能富氫環境裡生長,可能形成矽空穴(Si-V) 這在天然鑽石中非常少見。 中心和氮空穴 (內華達州) 中心(5) 合成鑽石的表面碳原子呈一層層堆疊狀生長。
4 合成鑽石的鑒別
根據以上原理,得到實際檢測: (1)UV-Vis-Nir光譜儀和Diamond Sure儀器 無論是HPHT或CVD合成方法都適用,利用UV-Vis-Nir光譜中N3色心415nm吸收峰作為鑒別特徵。 鑒別時,將天然鑽石中占98%的Ia型鑽石先確定,其餘2%的沒有415nm吸收峰的鑽石過濾出來,但Diamond Sure必須做進一步檢測,而UV-Vis-NIR可以快速檢測出415nm和230nm(圖2),所有IIa型,天然或HPHT、CVD合成或HPHT改色都有230nm。

圖2 UV-Vis-Nir光譜儀檢測特徵
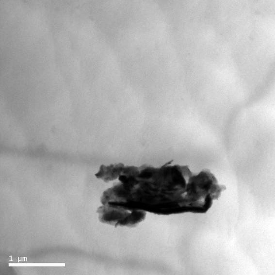
(2) Microscope顯微鏡放大觀察通過顯微鏡放大觀察可以發現,CVD法合成鑽石內含物呈團絮狀 (圖3) 或內含物裂隙/羽裂紋有曲折紋路,在鑽石表明可見到多晶點分佈 (圖 4)。

圖3 團絮狀內含物 圖4 合成鑽石表明有多晶點
(3)Polarizing Microscope偏光+顯微鏡觀察 正交偏光鏡下,CVD法合成鑽石與高壓高溫(HPHT)法合成鑽石及天然鑽石呈現不同的特徵,見表1。 表1正交偏光鏡下,合成鑽石與天然鑽石的特徵

(4) DiamondView觀察 在DiamondView觀察下可以發現,CVD法合成鑽石部分有貝殼紋狀出現(圖5),HPHT法合成鑽石典型發光樣式有馬爾他、十字,麵包屑色區,而天然鑽石無此現象。

圖5 CVD法合成鑽石內部有明顯的貝殼紋 (5)投射電子顯微鏡TEM觀察 CVD法合成鑽石在投射電子顯微鏡下可見到內部有黑色斑狀物,成分為石墨或碳質(圖6)。

圖6 CVD法合成鑽石內部有石墨或碳質 (6)PL光致發光光譜儀 CVD法合成鑽石在在液氮低溫下,經過光致發光光譜儀檢測,發現在596、597nm附近有熱處理小峰,而Si-V峰在737nm處(圖7)。

圖7 CVD法合成鑽石在PL光致發光光譜儀下的情況 (7)傅裡葉紅外光譜儀觀察 CVD法合成鑽石在富氫環境下生成,鑽石含大量H,在傅裡葉紅外光譜儀觀察下發現,在6400~7400㎝-1範圍內有多個HC峰,但這些HC峰若受過後期過度熱處理會消失(圖8)。

圖8 CVD法合成鑽石在傅裡葉紅外光譜儀下的情況
5 結論
CVD法合成鑽石是當前及未來人工合成鑽石的主要方法在工業領域和首飾領域有著廣泛的應用前景。CVD法合成鑽石生產的有利優點是,所有同一批生長的晶體具有相同的顏色和透明度更易分級和配對。顏色可以準確無限地複製,以確保可再生的大小、顏色、淨度為珠寶行業持續供應高品質的合成鑽石。此外,控制合成鑽石品質的能力將擴大至超出天然鑽石的用途,到達新的領域比如在生長半導體材料、在聲熱光電醫療等的應用。根據CVD方法合成的鑽石的一些固有特徵,可以借助UV-Vis-NIR、偏光顯微鏡、DiamondView、和FTIR等儀器,有效地將其與天然鑽石區分開來。隨著合成鑽石及綜合技術的不斷完善對於鑽石的鑒定工作也帶來了更大挑戰。雖然檢測技術也不斷繼續地提高,但是不管採用哪種檢測儀器或方法都有自身的優點和不足之處。而任何一顆鑽石 (不論是天然鑽石還是合成鑽石) 除了共有特性之外也都存在個體差異。因此,鑒定者對手中的每一種鑽石進行鑒定測試時,必須細緻、全面、系統,利用多重方法綜合分析才能得到確切的結論。
參考文獻
[1] 陸太進.鑽石鑒定和研究的進展[J].寶石和寶石學雜誌,2010,12(4):1~6.
[2] 邢旺娟.合成鑽石及其常規鑒別[J].山西科技,2011,26(2):135~136.
[3] Song Z,Lu T,Shen M,et al. Coated and fracture coloured diamond[J]. Australian Gemmologists,2010,24(2):39~41.
[4] Li H,Lu T,Shen M,et al. Silicon inclusions in black synthetic moissanite [J]. Gems & Gemology, 2009, 45 (4):128~129.
[5] 範澄興. CVD合成鑽石的寶石學特徵、鑒定和應用前景:[工程碩士學位元論文].北京:中國地質大學,2013.
2015中國珠寶首飾學術交流會 TGI台灣寶石學院暨鑑定所 沈湄
國際矚目,兩年一屆的中國珠寶首飾學術交流會於2015年11月30日在北京朝陽歌華開元大酒店隆重舉行。此次國際學術交流會由國土資源部珠寶玉石首飾管理中心(簡稱NGTC)和中國珠寶玉石首飾行業協會聯合主辦,北京珠寶研究所承辦,邀請了國內外知名專家學者對對珠寶玉石與貴金屬資源開發利用、生產加工、設計製造、檢測鑒定、品質監控、價值評估以及珠寶玉石的人工優化處理、人工合成等方面的技術方法和最新研究成果進行交流與探討。此次有來自英國、美國、瑞士、泰國、韓國和港台數十個研究單位熱烈參與,以及大陸各地珠寶質檢機構、珠寶院校、珠寶企業和珠寶評估機構,精密儀器大廠以及相關單位的專家學者和業界人士多達500多人共同與會,尤其各國派出的多是首席研究員,令本次國際學術交流會生色不少。
會議徵集了共150多篇論文,其中遴選了102篇收錄到《珠寶與科技—2015中國珠寶首飾學術交流會論文集》,作為《中國寶石》雜誌的增刊正式發表。論文集涵蓋了鑽石、彩色寶石、有機寶石、石英質玉石、其他玉石、貴金屬檢測技術、珠寶評估與市場、首飾設計等八個部分,全面反映了近兩年來國內外珠寶玉石行業的熱點和難點等問題,展示了國際珠寶學術領域的新技術和新成果。
本次學術交流會圍繞珠寶首飾鑒定和標準等方面的熱點問題和難點問題進行了廣泛交流。大會共邀請了19位國內外專家學者進行了專題演講。戴比爾斯技術公司首席科學家Dr. David Fisher講述了最熱門的亮點話題:HPHT、CVD合成小鑽的排查、檢測及其研究現狀,以及新款Diamond View加了Filter的理論與實際運用的介紹;波蘭琥珀研究科學家Ewa Wagner-Wysiecka教授希望大家了解波蘭琥珀不等同於波羅的海琥珀,由於琥珀的化學成分非常複雜,至今還寫不出來,她將琥珀的譜學特徵鑒別天然與各種處理琥珀方法上有精闢解說;瑞士古柏林實驗室首席執行官Dr. Daniel Nyfeler帶來的是Gubelin Lab最新的研究成果:寶石實驗室LA-ICP-MS的十年發展歷程—從Be擴散測試到鑒定產地到判定年代尤其是各種處理寶石適用的儀器都大不同,有些內容亦發表在Gem-A期刊中。此次筆者也與Daniel就剛玉有燒無燒的包裹體認定、顏色定義做討論,這部分,鑑定師的主觀意識、層次等級、道德判斷很重要,而古柏林鑑定報告書上是採從嚴定義,給鑑定師們參考;泰國寶石學院院長Dr. Pornsawat Wathanakul為大會帶來了世界產地紅寶石的低溫熱處理研究,針對現在市面上出現許多原石即已經做了熱處理,並且是低溫加熱都當作無燒出售,包裹體不易鑑別,在鑑定上更形困難做了許多論述;美國寶石學院研究部主任Dr.王五一就CVD合成鑽石和天然IIa鑽石的碳同位素研究這個熱點發表了演講;斯特林綠松石公司董事長Sterling Foutz介紹了Zachery處理綠松石的原理、方法以及鑒定特徵;美國寶石實驗室AGL總裁兼首席寶石學家Dr. Christopher Smith分析了祖母綠淨化優化處理及其鑒別,各種填充物以及時間長短所產生的閃光、裂紋均不同有深入的解析;亓利劍老師針對石英質蘇紀石不等同於蘇紀石介紹,運用FTIR 和UV-Vis-NIR分析有獨到的見解;TGI台灣寶石研究中心范執中博士介紹了此次亮點議題,無色-近無色合成小顆粒鑽石的生長及其與天然鑽石快速鑒別的兩種方法,其一是用強磁鐵吸附,因天然鑽石幾乎不含磁性物質,HPHT生長時會有作為觸媒的鐵族由磁性的金屬進入鑽石晶體。其二是用UV-Vis-NIR紫外可見近紅外光譜儀檢測,415nm吸收峰,天然鑽石中約98%含有415nm吸收峰,此為IaB型鑽石N3色心。另筆者這次在發表文章中則進一步介紹了CVD法合成鑽石的特徵及鑒別:在寶石顯微觀察可以發現,CVD合成鑽石內含物呈絮狀或包裹體裂隙羽裂紋有曲折紋路,在顯微偏光下,因製程不同,結構明顯亦不同,HPHT合成有典型發光樣式,投射電子顯微鏡CVD可見到內部有黑色斑狀物,成分為石墨或碳質,PL光致發光光譜儀發現596、597nm附近有熱處理小峰,而Si-V峰在737nm處。CVD在富氫下生成,鑽石含大量H,FTIR觀察發現,在6400-7400cm-1 範圍有多個HC峰,但這些HC峰若受過後期過度熱處理後會消失等論述。
這些最新研究成果對指導珠寶玉石鑒定和規範市場將起到促進作用。作為中國珠寶界每兩年一次的國際寶玉石學術盛會,本次會議盛況空前且成效非常,是歷年來參加人數最多,國際化程度最高,收到論文也最多的一次珠寶學術交流會。此次學術交流會是珠寶行業一次高層次高水平盛會,更是一次傳承與創新的盛會,本次會議不僅提供了國內外產經學互相交流的平臺,加強了國內外珠寶業界的交流與合作,也必將推動珠寶行業的健康發展,讓全球人士再度看到華人在寶玉石學術領域上的積極參與以及卓越努力與貢獻。


2015/9 亞洲寶石學院國際寶石學議題研討會報導 - TGI台灣寶石學院暨鑑定所 沈湄
2015年11月9日
2015/12/09 TGI台灣寶石學院暨鑑定所2015第五次讀書會,將會介紹時下最新的合成鑽石特徵以及一般人如何鑑定。TGI擁有300-400顆合成鑽石,最適研究,歡迎大家。

由亞洲寶石學院AGIL莫偉基院長組織舉辦的2015年國際寶石學研討會邀請到來自中國珠寶玉石首飾行業協會的副會長黎志偉先生、Gem-A英國寶石學協會董事會成員及前CEO傑克·歐登博士Dr.Jack Ogden,澳大利亞寶石學會前任主席羅尼·鮑爾先生Mr.Ronnie Bauer以及莫院長為大家分享自己專業領域的研究成果。
“China Proud: Pearl Tradition” 中國珍珠——引以自豪的珍珠歷史

作為全球最重要寶石史學家之一的傑克·歐登博士為與會嘉賓分享了對中國珍珠歷史的研究成果。中國的珍珠使用歷史也是世界上歷史最為悠久的,無論是淡水珍珠、亦或海水珍珠,中國對這些珍珠的使用都有超過兩千年的歷史。珍珠在中國南海岸的採集已有至少兩千五百年的歷史,且最初都是為皇室家庭所使用。明清時期出土的文物中,及有保存完好的珍珠,而中國傳統文學以及壁畫作品中所提到的“二龍戲珠”中的珠,也是對珍珠的藝術描述。照片中所展示的是收藏于大英博物館的黃金髮夾,便是約西元八世紀的珍珠黃金製品。
中世紀的阿拉伯商人遠渡廣州及中國的其他市場購買珍珠並將其輸送至中東和波斯灣地區,在中世紀的出土文物中也發現有中國湖泊和河流中所產出的淡水珍珠。也有發現用淡水貝類養殖的早期珍珠,這些珍珠在之後的18、19世紀的歐洲被多次提到,並模仿使用珍珠貝母、黃銅塊乃至泥球去實驗這些養殖技術。圖片中所展示的約在1850年所拍攝的照片,可能就是中國淡水養殖珍珠的早期照片。

雖然目前科學界認為來自日本的禦木本幸吉是首位獲得養殖珍珠專利的人,但具中西方的歷史文獻記載,中國的養殖珍珠歷史也有超過一千年之久。19世紀中期的一些黑白照片記錄了中國養殖而成的佛牌狀珍珠,英國的著名作家查理斯·狄更斯在1859年便記載了對於中國養殖珍珠“There is a species of pearl mussel in which the Chinese produce artificial pearls by introducing small shot and sand between the mantle of the animal and its shell. Mr Gaskoine has a specimen consisting of two strings of pearls”(我們發現來自中國的一些牡蠣樣品,中國人將小球或砂礫植入到動物體和貝殼之間來生產珍珠。Gaskoine顯示擁有兩串這樣的珍珠樣品)。擁有如此悠久歷史和世界知名度的中國珍珠,也應當是中國珍珠商人在貿易中必備的宣傳內容也是中國人所值得驕傲的歷史之一。
“Perspective on the Global Diamond Industry” 鑽石產業發展現狀

來自中寶協的黎志偉先生就目前鑽石貿易行情向大家分析講解了整個鑽石產業鏈的利潤、開採及加工情況以及對未來的展望及挑戰。從資料中得知,目前勘探及開採具有最大的利潤(超過20%),而毛坯及成品鑽石的銷售利潤則不到5%;但從產業鏈增值情況來看,鑽石首飾的設計則可以帶來超過70%的價值增值、首飾加工則有近50%的價值增值。最新的原石開始調研中,俄羅斯已經遠超其他國家成為世界上最大的鑽石出產國,博茲瓦納位居第二,其後為剛果、加拿大、澳大利亞、安哥拉、南非及一些非洲國家。戴比爾斯也不再是唯一的鑽石壟斷統治者,由Petra Diamond,Dominion Diamond,Ria Tinto,戴比爾斯和ALROSA這五家主要礦業公司佔據超70%的原鑽產量,根據金伯利進程統計,2014年全球鑽石產量為1.25億克拉,約合145億美元。
每年毛坯鑽石開採量為1.2-1.3億克拉,而2014年全球毛坯鑽石進口貿易量為4.1億克拉,貿易額為566億美元。這些資料說明鑽石在各個國家轉手三到四次。印度、歐盟和阿聯酋這三個國家就是毛胚鑽石輸入最多的國家。而博茨瓦納不僅是交易中心,還是世界第二大鑽石出口國。印度和中國出口量較少,這是因為這兩個國家是加工型產業國,大部分鑽石被加工成成品而不列入統計數據。
再來看鑽石加工產業,印度佔所有加工鑽石價值的60%左右,剩下的鑽石由俄羅斯、以色列、中國、東南亞等地加工,非洲一些國家現在也致力發展鑽石切割工業。中國由於勞工成本增加、外匯匯率等問題,加工優勢正在減弱,從而進行產業轉型,更多傾向於交易和貿易方面的發展。
全球經濟環境、合成鑽石以及互聯網貿易是目前對傳統鑽石市場的最主要衝擊因素,可靠的進貨管道、供需關係的調整以及新商業模式都是未來鑽石產業貿易值得重視的關鍵。
在零售市場中,首要的重點便是婚戒消費。中國有4億的適婚年齡群體,這是一個很龐大的剛性需求消費群。1940年,美國只有10%的新娘購買結婚鑽飾,而到了1990年,美國80%的新娘都要購買結婚鑽飾,該市場培育的過程花費了50年。而日本則用了30年時間。1994年,中國只有1%的新娘購買結婚鑽飾,至2012年已經有48%的比例,僅18年的時間便出現如此巨大的變化,而且該消費峰值尚未有出現。對比美國和日本的鑽飾市場發展歷程,中國鑽飾市場前景巨大;其次是網絡銷售。中國是世界上網路銷售發展最快的國家,2013年中國互聯網零售總額達1.8萬億元人民幣,2014年超過2.7萬億。2013年中國網路珠寶銷售超過120億元人民幣(其中鑽飾銷售大約60億元人民幣),僅占全年整體珠寶零售額4700億元的2.5%、但僅占電商零售總額的0.7%。美國的鑽飾電商則更為成熟, 2013年珠寶電商占了全部珠寶銷售額的10%以上。這也是未來鑽石首飾市場的方向;另外還出現了行業整合、品牌營銷等趨勢,將品質和服務凝結成一個符號,這也是鑽石和消費文化結合,第二個挑戰是投資與保值的問題,根據去年RAPOPORT對鑽石價值的年統計圖,可見鑽石價格在下降。但是與白銀、黃金等相比,鑽石價格一般都會略高於通膨。在100多年的現代鑽石產業發展史中,De Beers成功創造了鑽石消費需求,也很好地利用了供應和需求。在美國經濟低迷期和亞洲金融海嘯時期,毛胚鑽石的供應量也顯著減少,從而保證消費者的需求一直呈增長態勢。這是鑽石供應商一個很好的供需控制策略。
第三個重要挑戰來自合成鑽石,合成鑽石是指在實驗室中人工造出來的與天然鑽石具有相同物理、化學性質的鑽石,目前主要通過高溫高壓(HPHT)和化學氣相沉澱法(CVD)進行合成。合成鑽石已經引發人們對鑽石稀缺性和替代品的新的思考。隨著合成技術的發展,可以預言,合成鑽石將會是市場上最為大眾接受的合成寶石,在0.1克拉以下小鑽石的價格將被合成鑽石價格主導。未來鑽石市場必將分為“合成鑽石首飾”和“天然鑽石首飾”兩大方向。在“natural diamond”(天然鑽石)相關功能變數名稱被關注之後,RAPAPORT推出“Real diamond=Real love”(真鑽石就是真愛)的宣傳口號。突出天然性,何嘗不是鑽石行業當前一個差異化競爭中新的行銷方向。
“Antique Jewellery in Austraila, 1778-1920” 澳大利亞古董珠寶歷史

羅尼·鮑爾先生是墨爾本珠寶家族的第五代繼承人,也是澳大利亞寶石學協會的前任主席,與以會議中他為大家帶來了澳大利亞古董珠寶的歷史故事。澳大利亞自18世紀末的殖民統治時期開始,缺乏水、食物、金屬、女人以及對珠寶的需求,在澳大利亞建立初期並無任何的珠寶產出,最早期的珠寶銀器也基本都是從英格蘭進口而來,再經加工而製成新的銀器、裝飾品及珠寶。同時由於技術和人口的匱乏,澳大利亞殖民地早期並未發現任何貴金屬礦產,甚至連用於製作貨幣的金屬銀都沒有礦產的勘探發現。在後期發現了銀礦後,除製作貨幣外,很多用被用於製作馬賽獎盃
澳大利亞的銀器珠寶中,最典型的當屬鴯鶓蛋銀器了,鴯鶓作為僅發現于澳大利亞的國寶級動物,在發現之初為澳大利亞人所摯愛,其產下的蛋,因具有較厚的蛋殼而適合雕刻製作珠寶擺件。直到1851年在南威爾士發現了金礦後所帶來的淘金潮,以及1869年所發現的珍貴歐泊,不僅為澳大利亞帶來了巨大的財富和人力,如1850年的墨爾本人口僅有29000,而到了1861年便迅速增長到50萬人。也為珠寶行業的發展帶來了大量的原料。
在珠寶設計中,淘金潮為澳大利亞帶來了大量黃金製作的淘金相關的珠寶首飾,如鐵鍬、鐵鋤、鐵鏟等形象的胸針、吊墜等;也擁有與英格蘭相似的維多利亞晚期及愛德華時期風格,也有很典型的歐洲新藝術風格及裝飾藝術風格的珠寶首飾。歐泊作為澳大利亞最重要的寶石品種,1869年于新南威爾士發現歐泊礦以及隨後1902年於閃電嶺發現了至今為止最為重要的黑歐泊礦,從19世紀開始便是維多利亞女王的摯愛之物,隨後也成為了澳大利亞珠寶中的典型寶石。
“Jade?Seeing is Believing?” 玉石?眼見為實?


最後的講座由本次會議的主辦單位莫偉基院長主持演講,為大家帶來了玉石界中的新知識。在傳統的寶石學裡,玉石包含兩種礦物:硬玉和軟玉,而這二者的物理和光學特徵不同。有些的寶石品種的物理光學特性跟硬玉軟玉比較近似,如水鈣鋁榴石、符山石和紫鋰輝石。水鈣鋁榴石可以模仿現在市場上很受歡迎的翡翠品種。符山石很像軟玉和硬玉那種綠油油顏色的品種。紫鋰輝石,則可以用來模仿較淺色及無色的翡翠材料。
磷鋁石和不純絡雲母,這兩者若具有高品質,那麼它們的顏色就會很像綠色的翡翠硬玉,所以如果僅是用肉眼去分類這些玉石的話,是非常困難的。此外,約15年前,有一種被稱為冰種玉的翡翠品種出現,這種冰種玉僅在十年間價格便因中國市場的火熱而暴漲15倍,從一萬美金上升到15萬美金。看下冰種翡翠的相似石:鈉長石和無色石英。在翡翠玉石的買賣當中,大部分都是用肉眼看看就出價錢,在中國和香港,鈉長石一般稱為水沫子;在中國,常見用無色水晶來模仿水沫子。以前用水沫子來模仿無色硬玉,現在用無色水晶來模仿水沫子,而鈉長石和無色水晶的價錢相差也有5倍之多。此外,也有用綠色東陵石英、局部結晶玻璃來模仿翡翠硬玉,如果用顯微鏡看綠色東陵石英會看到鉻雲母片,而局部結晶玻璃,如果用30倍放大鏡或者高倍數顯微鏡看,就會看到裡面的
蕨類植物樹葉狀結構。
大概10年前我收到來自美國關於合成硬玉的資料,有一些技術人員用來自通用電氣GE的裝備,使用與硬玉成分相似的化學材料,以及與生產合成鑽石相類似的儀器,大概6年前,成功做出用於研究的合成硬玉。這些合成硬玉和天然硬玉極為相似,無論是化學成分還是光學特徵都差不多一模一樣。從光譜上來看,合成硬玉沒有437nm的吸收線;蘇格蘭寶石協會主席ALAN HODGKINSON先生,製作過一批很有意思的濾鏡,其中名為HH-SGJ特製濾鏡,可以用來觀察區分天然玉合成綠色翡翠硬玉材料,天然綠色翡翠不變色,GE合成綠色硬玉則由綠變紅。所以無論我們看到的寶石材料如何,都需要去使用實驗室檢測手段進行進一步的測試分析以獲得更多的關於寶石的資訊,才能準確的確認寶石材料是什麼,並保證消費者的利益。

China has a proud and very ancient pearl heritage that is often ignored with the focus on modern Chinese freshwater pearl cultivation. Pearl were dived for off the South Coast of China at least 2500 years ago and were both traded and used in jewellery for the imperial families. The photo shows a detail of a gold hair pin in the British Museum that dates to around the 8th century AD. It is set with pearl. In Medieval times Arab traders brought pearls to Canton and other market centres and the Chinese began to import pearls from both further East and from the Persian Gulf. In Ming times, pearls played a very important part in Imperial jewellery and huge numbers were employed. By medieval times we also find evidence for the use of freshwater pearls from lakes and rivers in China.
Medieval times also saw the earliest development of cultured pearls, using freshwater mussels. We know more about these cultured pearls in the eighteenth and nineteenth centuries when there are many European mentions of them - and many European attempts to copy the technique. Mother of pearls beads, pieces of brass and even balls of mud were used. Numerous beads could be pl;aced inside a mussel and left for several months to a year before they were removed. The photo was taken around 1850 and is perhaps the earliest photograph of Chinese freshwater cultured pearls. About the time this photo was taken the English writer Charles Dickens mentioned a necklace of cultured pearls in London and described the technique as a Chinese invention.
The Chinese pearl industry has a great potential to market modern pearls using its long pearl heritage
Dr Jack Ogden is an English specialist in the history of jewellery materials and techniques and has lectured and written widely on the subject. - Jack Ogden
2015年1月5日
祝賀亞洲珠寶聯合會成為聯合國文化發展委員會一員
由亞洲珠寶聯合會、北京大學經濟學院、世界中華文化藝術基金會及中國社會福利基金會玉觀音慈善基金會聯合主辦的“ 2014 年國際寶玉石高層論壇”在各界的鼎力支持下,於 2014 年 10 月 20 日在北京人民大會堂隆重召開。本次大會受到了各界才識的高度重視,包括政協主席、世界聯合國文化發展委員會文化總顧問、北京大學經濟學院書記、清華大學創意設計院院長、美國珠寶學院院長、世界中華文化藝術基金會董事長台灣團,中國珠寶玉石集團總裁等相關領導出席會議並發表了重要內容。此次大會共聚集了來自世界各地的珠寶玉石行業精英、工藝美術師、專家及企業界代表 340 餘人,收到論文 112 篇。
10 月 20 日上午,在北京人民大會堂召開了“ 2014 國際寶玉石高層論壇”開幕式,二天會議分別在北京大學以及附近西郊賓館進行頒獎儀式和論壇高峰會。 20 日上午在人民大會堂的“ 2014 國際寶玉石高層論壇”開幕式前,進行了到會代表的全體合影(見圖 1 )。在開幕式上,亞洲珠寶聯合會會長劉吉先生致開幕詞、為弘揚玉文化精神,推動寶玉石事業的健康發展而努力奮鬥”的主題發言。接著中國國際經濟發展局主任,北京大學經濟學院書記,清華大學創意設計學院院長,中國文化藝術品產權交易所董事長,內地社會福利基金會會長先後發言。使開幕式達到高潮的是在海南開會的習主席致電文及賀禮,聯合國文化發展委員會中華文化總顧問王予先生做了“宣布聯合國文化發展委員會對亞洲珠寶聯合會批文及宣布獲得榮譽證書名單”。 很多人對“聯合國文化發展委員會”不了解,據資料介紹:“為了融合世界優秀文化,使聯合國文化多元化健康發展,由聯合國非政府組織協調委員會協助,並在聯合國集團的支持下,聯合國文化發展委員會塵埃落地,秘書處設立在北京。並在頒獎會上宣布了好幾項內容: 1. 成立“聯合國文化發展委員會亞洲珠寶聯合會”。內容如下:“為推動世界文化交流合作與健康發展,經研究決定亞洲珠寶聯合會做為聯合國文化發展委員會直屬機構,全名為“聯合國文化發展委員會亞洲珠寶聯合會”。特任聘李勁松先生為聯合會理事會主席,可代表委員會按所在國有關法律、法規開展一切相關事務。特此致函認同。 2 、成立“聯合國文化發展委員會寶玉石文化理事會”。3、授予楊伯達先生“中華玉文化開拓者”的光榮稱號。 4、對作出寶玉石貢獻的專家授特授予“國際寶玉石專家”的光榮稱號。下面蓋有“聯合國文化發展委員會”的公章。
6、對作出貢獻的工藝美術大師授予“國際工藝美術家”的光榮稱號。7、對以下企業作出貢獻的單位授予“國際名牌企業單位”的光榮稱號。
這次大會地點在人民大會堂舉行,顯示亞洲珠寶聯合會的一級實力,亞洲聯對推廣玉文化可說是不遺餘力。筆者此次非常榮幸二度獲邀上台發表演說,會議之餘,也拜訪了學術界各好友以及參觀了北大鑑定所,NGTC中國質檢局國家鑑定所,並與北大唐教授聊到深一層珊瑚顏色的演化,那真的是另一很深的生物學面向;另與NGTC陸博士在合成鑽石以及精密儀器上的請教討論,尤其2000X顯微放大分辨是否真正來自和田玉的產地有著明顯貢獻!筆者此次對國家一級鑑定所規模設備之精研場地之龐大,嘆為觀止,能在這樣的環境工作的鑑定師實在是福氣!深切的希望台灣政府有一天也能重視到這一塊,這裡面其實可以對寶玉石有更多貢獻,對台灣珠寶產業國際化能見度,更是非常大的助力,筆者也深信台灣能做得到,需要有識有能之士的整合。 “ 2014 國際寶玉石高層論壇”在熱烈的討論中圓滿結束。相信亞洲珠寶聯合會將帶領整個亞洲的珠寶界同仁奮勇向前,開創寶玉石文化發展的新格局、推動珠寶玉石首飾行業向新的高度前進!論文彙編後正式出版,書名為《2014國際寶玉石高層論壇論文選集》。 (出席來賓姓名及致詞詳細內容,請見大會沈才卿老師新聞稿)
本篇文章部分刊登於"珠寶世界 Jewelry world" 63期中

人民大會堂前合影留念

人民大會堂會議

單位安排我二場演講,第一場在北大,第二場在西郊賓館

人民大會堂前與顏院長,何雪梅教授等合影
2014年9月24日
台灣首次 珠寶首飾評估師培訓課程
First Jewelry Appraiser Course in Taiwan
文、圖/沈湄 TGI Gem & Lab 台灣精品寶石研究中心與鑑定所
在中華民國寶石協會林嵩山理事長的聯繫之下,由寶協及上海同濟大學寶石學教育中心合作,邀請中國大陸珠寶首飾註冊評估師朱靜昌教授來台,於今年6月教授台灣首屆珠寶首飾評估師證照培訓課程,分別於台北、台中各開一班,20名學員修業完成並獲頒證書。本期《珠寶世界》由學員之一、TGI台灣寶石研究院負責人沈湄分享培訓後上課心得。也希望藉由本文能夠正確宣導評估師是非常專業的職稱,應給予尊重與重視!
鑑價節目從對岸火紅到了台灣,自去年底開始,有電視製作單位透過管道找我上這類型節目,但「價格」這件事,實在太敏感。且從何論斷?依據是甚麼? 此外,之前對岸這類型節目,最後受益者並非是珠寶店家,反而是國民市場或一般市集攤點,原因很簡單,大家心裡都想要「挖寶」、「搏大」!
暫不論到底這類型節目最終誰獲利,我個人仍是抱持「只鑑定,不鑑價」原則,若要鑑價,則必須出具正式報告,因為估價師是一專業的職業,在國外是要有證照的,必要時也需負法律責任。
非常感謝寶協與上海同濟大學合作,將這麼好的課程引進台灣。身為台灣第一屆評估師培訓學員,除了知識的累進增長,更深覺寶石學乃是一門精益求精、無邊無際的浩瀚學問。此次上課所學習到關於估價相關的概念,藉此版面與各位同業先進分享。
一、定義:
評估(appraisal)與評價(evaluation)是不同的,而「價值」與「價格」定義也不同。評估師(appraiser)是指有資格從事估價服務的人,它是一種價值估計的行為。珠寶首飾評估的目的,如出售、收購、保險、抵押、清算、財產分割、法院判案等等。不同的評估目的,選擇的價值分類也不同,不同的市場級別,評估師的基礎資料也不同。很重要的一點,支撐價值的四個有利因素 : a.稀缺性 b.流通性 c.實用性 d.需求性。
二、歷史:
最早是由英國威廉(William)公爵於1066年征服英格蘭,為了了解這塊領土、以及制定稅捐的依據,於1085年派員細記錄各地貴族、士紳、平民的姓名與財產,為了鼓勵人們誠實申報、納稅,借用宗教的思維,將此書命名為Domesday Book《末日審判書》(或翻譯為《偉大的綜覽》),書中詳以做為。此書被視為是估價的高使。在經濟學上價值理論提出之後,發展至今。所以它也是一門經濟學。而目前世界主要二大學派分別是英國和美國學派,後者於1982年美國評估師協會(ASA)創始人Anne M. Miller出版了第一本珠寶首飾評估專著。
三、方法
1. 成本法。 2. 市場法。 3. 收益法。
每一種方法適用對象不同,如年代不同,新品、舊品、骨董,版權設計等,或市場不同,如何尋找可比物品的合適市場、零售、網路、拍賣會等,分析方法也都大不同;被評估對象是否可以被複製或再生產等,都是完全不同的比價與估價方式。這當中每一種會計方法有不同的運算公式、調整